1 引 言
随着我国交通事业的飞速发展,道路标线成为交通安全的静态信息指令及法规性的语言,而醒目的道路标线取决于高性能的标线涂料。随着现代施工的环保化及对标线的耐磨、防滑、耐候及耐久性的高要求,低成本的热熔型标线涂料成了我国道路标线涂料的首选。对热熔型道路涂料来说,流动性(圆片涂层直径)、流出时间、防沉降性是非常重要的技术指标。在改变热熔涂料的流动性时,一般是通过增加树脂含量或者使用增塑剂来实现,而这种做法在一定程度上会使涂料干燥困难,同时又会造成涂膜较软和易粘染污物。此外,更重要的一点是增加增塑剂或者树脂在涂料中的含量,提高涂料的制造成本。在涂料施工过程中,涂料的沉降度越大,涂料越难施工,所以涂料有没有发生沉降,在一定程度上决定着客户对产品的满意程度。在防止涂料沉降方面,通常的做法是在涂料中加入防沉淀剂,但防沉淀剂一般价格都比较高,多加入防沉淀剂就意味着提高涂料的成本。本文试图通过调节填料比例,使涂料具有良好流动性的同时又具有较好的防沉降性, 从而达到既提高性能又控制成本的目的。
2 试验部分
2.1 主要原料
树脂主要是C5 石油树脂(上海 PK100S)和松香改性树脂,填料是石英砂、重质碳酸钙,助剂是改性橡胶弹性体、聚乙烯蜡等,颜料是金红石型钛白粉(澳大利亚 CR828)和铬黄,反光材料为玻璃珠。
2.2 热熔型标线涂料配方(见表1)

2.3 试验过程
改变热熔涂料中石英砂和碳酸钙在填充物质中所占比例,涂料配方中的其它成分不变,碳酸钙在填充物质中的质量份分别为90、80、70、60、55、50、40、30、20、10时,测出熔融涂料在200℃时的流动度、流出时间、密度、耐磨性、沉降性、软化点的数值,每个数据做三个试样,取其算术平均值。根据这些数值做出流动性、流出时间等与碳酸钙含量变化的关系,分别见图1~图6。
3 结果与讨论
3.1 流动性、密度等与填料含量变化的关系
将填料——碳酸钙和石英砂在不同含量时的热熔涂料流出时间、流动性、沉降性、密度、耐磨性的数值如表2。

随着碳酸钙和石英砂的不同配比,测出热熔涂料的流出时间、流动性、沉降性、密度、磨损量,得出随着碳酸钙含量的不同在填充物质中变化时,它们的变化曲线。
3.2 分析与讨论
涂料近似于宾汉流体,也称塑性流体,t-ty=hp×У,其中:t是剪应力,N/m2;ty是屈服应力,N/m2;hp是塑性粘度,Pa·s;y是剪切速率,s-1。只有当剪切力超过一定值之后才会发生流动,而开始流动后其剪切应力与剪切速率成线性关系。宾汉流体之所以具有这样的性质,是该流体静止时,其内部存在着凝胶性的结构,只有当外加应力超过极值之后,凝胶体系才全部崩溃,开始流动[2]。

由图1 和图2 可以看出,随着碳酸钙在填充物质中的增加,流动性和流出时间呈二次曲线变化。当碳酸钙比率增大时,熔融涂料的流出时间将变小,而圆片直径将变大,说明涂料的熔融粘度在变小;当碳酸钙含量在45%左右时,涂料的圆片直径最大而且流出时间最短;当填料中石英砂比率高于55%,碳酸钙含量低于45%时,圆片直径又将变小,流出时间又将变长。在整个填料体系中,碳酸钙或石英砂任何一方占大多数时,容易产生填料的密集堆积,从而使体系粘度大幅提高;而碳酸钙与石英砂配合使用,由于二者不具备相容性,因此树脂能够较好地利用剪切力作用分散填料,从而使体系粘度较单独使用一种填料的粘度有大幅度下降,所以按涂料对熔融粘度的要求,碳酸钙在填充料中占40%~55%比较理想。

由图3 可以看出,涂料的沉降性变化表现为:在碳酸钙含量高于60%时,几乎没有沉降发生;在碳酸钙含量低于60%时,随着碳酸钙的减少沉降度增高;在含量到了40%时,沉降性已表现得不利于涂料的施工。这是因为涂料中含有一定量的改性橡胶弹性体,能够使硬质碳酸钙稳定地悬浮在树脂中,碳酸钙在填料中的比率可选择在40%~60%。

由图4 和图5 可以看出,涂料密度在随着碳酸钙含量的减少一直在增加,而涂层磨损量则一直在减小;当碳酸钙含量在45%时涂层的磨损量已达到国家标准要求的数值;当碳酸钙含量少于45%时,其磨损量已变得很小,而密度已很大,此时耐磨性主要取决于涂料中所含的改性橡胶弹性体,在室温下,橡胶弹性体处于玻璃化温度以上,可以表现出良好的柔韧性,有效地抗摩擦,因此,按密度和耐磨性的要求,碳酸钙在填充物质中的含量为30%~55%较宜。

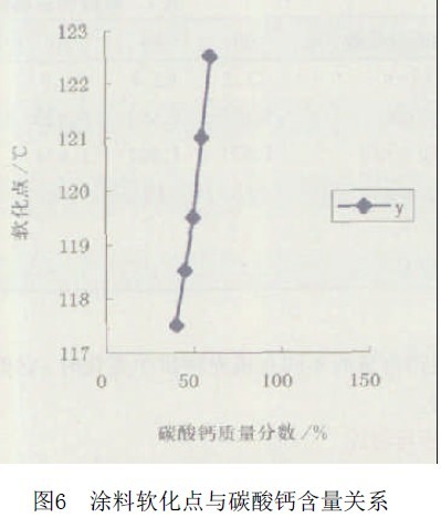
由图6 可知,当碳酸钙含量提高到40%的时候,软化点开始大幅度上升,这是由于涂料中的硬质碳酸钙含量的增加,填料开始聚集在一起,从而形成大面积的填料聚集区,其所构成的阻隔效应使涂料即使在内部树脂融化后,也无法有效地软化,因此,随着碳酸钙含量的增加,软化点有增大的趋势。
4 结 语
通过对涂料粘度、沉降性、密度等指标的综合分析,碳酸钙在填充物质中的比率应保持在45%~55%,其具体值还应视每次选用的防沉淀剂数量和品质而定,只有防沉淀剂的质量好,碳酸钙含量才可以小于石英砂的含量;当碳酸钙含量保持在45%~50%时,涂料的流动性增大,施工方便,与路面的粘接力增强;如果选择普通的防沉淀剂,碳酸钙含量则为50%~55%,这样就可以达到既降低成本又防止沉降的目的。夏天,一般要求涂料有较高的软化点,碳酸钙含量可以适当地高于石英砂含量;而在冬天则相反,软化点过高,容易使涂料发脆,不利于涂料与路面的粘结,可以适当减少碳酸钙比率来降低软化点。