房屋建筑屋面工程的防水技术措施
龚文晔1,何东林2,白飚3 ( 1. 华北水利水电学院建筑学院,郑州450045;2. 开封大学土木建筑工程学院,河南开封475000; 3. 郑州骏龙房地产开发有限公司,郑州450045)
屋面防水是房屋建筑屋面工程设计与施工的重要环节。由于饱受风吹、日晒、雨淋、雪冻等恶劣自然环境的侵袭和基层结构变形的影响,长期以来,屋面使用油毡沥青卷材防水出现的渗漏问题成为困扰设计、施工、使用单位的建筑工程质量通病。而SBS、APP 等改性沥青卷材也没能体现出其优越性,经常出现屋面膜龟裂、起泡、搭接部位松动、张口等现象,造成经济财产损失,严重影响建筑物的使用寿命。固凝( GT) 防水涂膜能防止由于面层裂缝造成防水层断裂等现象,为彻底治理建( 构) 筑物的渗漏和腐蚀难题,提高工程质量,保证使用功能开辟了一条实用而有效的途径。
1 固凝( GT) 涂膜防水材料性能
固凝( GT) 涂膜材料由新疆新建防水与防护技术研究所开发研制,G、T 分别为固凝高分子浆材和涂抹式材料的汉语拼音首写字母。“固凝”是指液体或者晶体、非晶体在一定的物理、化学作用下短时间内变成弹性体或刚性体的过程。固凝( GT) 涂膜材料以多种高分子材料为主体,经多种助剂改性,在特定的生产工艺下加工而成,是一种新型合成高分子防水、防护化学浆材。固凝( GT) 防水涂膜主要有以下特点:
( 1) 涂膜刚柔兼备,可延伸,可挠曲,能适应基层变动。
( 2) 与其他材料粘合力强,可形成无接缝防水膜,整体性好,抗渗性强。
( 3) 涂膜防水层富于弹性,对基层面裂缝有追随性。
( 4) 无毒、无味、无污染,对人体安全无害,有利于满足环保的要求。
( 5) 可冷施工,可在潮湿的基面上施工,无需养护,可缩短施工周期。
( 6) 耐候性好,高温不流淌,低温不开裂,防水层耐用年限长。
( 7) 可弥补混凝土的缺陷,起到补强与加固的作用,延长混凝土建筑的使用寿命。
( 8) 技术先进,工艺可靠,施工简便,施工时无烧伤、烫伤之忧,可手工涂抹,亦可高压喷涂。
( 9) 涂膜层可改变颜色,易与周围环境相协调。
由于固凝( GT) 涂膜防水材料优良的性能特点,解决了传统沥青卷材易老化、易开裂、污染大、接缝易渗漏等防水难题,广泛适用于房屋建筑屋面、地下室、厨浴厕房间、游泳池、人防工程、地铁、水库、隧道等建筑工程的防水、抗渗和防腐处理。特别适应于异性复杂基层表面的防水; 季节、昼夜温差变化大环境下的工程防水; 边角、立面节点,接茬口部位的防水; 维修老沥青油毡屋面的防水保护; 斜面、立面或顶面等部位的防水以及大坡度建筑的防水。
2 屋面固凝( GT) 涂膜防水设计技术措施
基于固凝( GT) 防水涂膜整体性强,施工便捷,而且对基层表面具有良好的追随性,当建筑屋面的坡度较大、设施较多或平面形状不规则时,适合于使用固凝( GT) 防水涂膜作建筑屋面防水层,在工程应用中其防水设计应满足以下技术要求[1 - 2]:
( 1) 屋面固凝( GT) 防水涂膜应分层分遍涂布; 待先涂的涂层干燥成膜后,方可涂布后一遍涂层。需铺设胎体增强材料,且屋面坡度小于15% 时,可平行于屋脊铺设; 当屋面坡度大于15%时,应垂直于屋脊铺设,并由屋面最低处向上操作。胎体增强材料长边搭接宽度不得小于50 mm,短边搭接宽度不得小于70 mm。采用2 层胎体增强材料时,上下层不得互相垂直铺设,搭接缝应错开,其间距不应小于幅宽的1 /3。沿找平层分隔缝增设的胎体增强材料空铺附加层,其宽度宜为200 ~ 300 mm。
( 2) 屋面固凝( GT) 防水涂膜在屋面的阴阳角处、檐构、天沟、水落口周围及屋面设施根部,应增设1 层或1 层以上附加增强层。附加增强层用固凝( GT) 防水涂膜刮贴胎体增强材料做成。
( 3) 屋面固凝( GT) 防水层的厚度及涂布次数应符合屋面防水等级和使用年限的要求,如表1 所示。
3 屋面固凝( GT) 涂膜防水节点构造措施
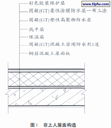
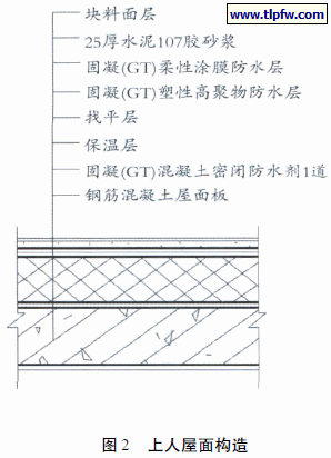
房屋建筑屋面的固凝( GT) 防水涂膜要注意做到“一布三涂”: 即基层清理平整后刮塑性防水层,固化并检验合格后涂刷固凝( GT) 柔性防水层1 道,铺贴1 层热扎无纺布,随后再涂刷固凝( GT) 柔性防水层2 道,最后做保护层。具体的构造措施见图1、图2。
房屋建筑屋面的泛水高度不应小于250 mm,屋面与女儿墙的结合部位应加铺固凝( GT) 防水附加层,钢筋混凝土檐沟或天沟的净宽应≥200 mm,除了固凝( GT) 防水涂膜外,也应加铺固凝( GT) 柔性料1 道。屋面泛水及檐沟处的构造措施见图3、图4[3 - 4]。
变形缝是屋面变形集中的部位,其构造设计的重点是做到防止雨水通过屋面变形缝流入或渗入建筑室内,从而破坏吊顶及墙面。变形缝处既需要多道设防,又要保证在缝的宽度变化时,不会造成防水层的破坏。屋面变形缝的固凝( GT)防水构造措施见图5[3 - 4]。
4 屋面固凝( GT) 涂膜防水施工技术措施
固凝( GT) 高聚合物防水涂膜由粉料和固凝( GT) 高聚物乳液组成,使用时在施工现场拌合成均匀的浆料,刷涂在潮湿的坚实基面上,无需养护,无需火烤,不用胶粘,常温固化后形成刚柔兼备的整体防水层。固凝( GT) 涂膜材料亲水性良好,潮湿的基面对它固化、成熟、成膜反而有增强促进作用,因此工期紧迫时能连续作业,缩短工期。施工时固凝( GT) 涂膜防水应按施工技术要求配料,做到比例准确,阴阳角、管道口、结合点的细部作业要反复检查成膜后的附着力,要求专业防水人员进行施工。除此之外,屋面固凝( GT) 涂膜施工还应注意以下几点[5]:
( 1) 固凝( GT) 涂膜防水层施工前,应将基层面上的尘土、砂粒、碎石、杂物及砂浆疙瘩清除干净,凸出的尖角应用砂轮打磨平整,施工过程中还应随时清扫,保持基面坚固、平整、洁净。
( 2) 对基层进行全面检查,包括基面的平整度、坡度、表面质量、分格缝、水落口、天沟、泛水转角、檐口、檐沟、女儿墙、管根、屋面出入孔口等细部构造应符合规范要求,对不合格的部位应首先进行处理。
( 3) 基层清扫干净后,先检测基层的干燥程度。
( 4) 基层表面不应有过大的裂缝,若有裂缝应涂刷固凝( GT) 柔性涂膜,若裂缝太宽超过3 mm 以上时,应先灌注固凝( GT) 弹性乳胶,加铺无纺布,并涂刮固凝( GT) 弹性料。
( 5) 大面积涂膜前,应先对雨水口、阴阳角、泛水、天沟、檐口、屋面出入口等特殊节点部位作附加增强处理,铺贴胎体增强材料时要松弛,不应拉伸过紧,涂膜防水层收头处应超出胎体增强材料20 mm,并应再增加两遍涂料予以加强。
( 6) 固凝( GT) 涂膜施工前,应根据设计规定的厚度,经试验确定涂刷的遍数及单位面积涂料用量,按配料的数量控制涂刷面积,保证图层的厚度和均匀性。
7) 防水涂膜应分遍涂刷,每遍涂刷应厚薄一致,且每遍涂刷方向与前一遍相垂直,涂刷接茬宽度大于20 mm,紧密接茬,防止漏刷。
( 8) 防水层完成后,不得穿钉子鞋踩踏,防水涂膜固化前遭到破坏,不得在其上堆放施工物品或进行其他施工作业。
5 结语
固凝( GT) 涂膜作为一种新型高分子防水材料,技术指标已全面达到使用要求,固凝( GT) 防水材料应用于建筑屋面工程对解决屋面渗漏难题意义重大。固凝( GT) 防水涂膜已在许多大中型工程项目中应用,如乌鲁木齐市天山国际大酒店、友好商场、商检业务楼等,成功解决了防水、防渗、抗冻融难题,取得了良好的经济和社会效益。