硅氧烷改性自交联丙烯酸阴极电泳涂料树脂的制备
张凯1, 黄春保1, 李金华2, 张力2
( 1.黄冈师范学院化学与应用化学学院, 中国黄州438000; 2.华南师范大学化学与环境学院, 中国广州510631)
阴极电泳涂料克服了阳极电泳涂料被涂物易析出及漆膜耐腐蚀性差的缺点, 泳透力高、耐腐蚀性优异[1-3], 丙烯酸阴极电泳涂料因其优异的保光、耐候、高装饰等性能而广泛用于底面合一电泳涂装[4-5].作为一种热固性涂料, 其所用的固化剂直接影响电泳槽液和涂膜的各种性能.目前常用的工艺是在阳离子型丙烯酸树脂中加入封闭型异氰酸酯固化剂[6-8], 但存在工艺复杂, 产品质量难控制, 乳液粒径偏大, 槽液稳定性差等不足.有机硅氧烷具有低玻璃化温度、低表面张力等优良性能.将有机硅氧烷改性丙烯酸树脂, 可获得兼具二者优良性能的树脂, 并且可实现单组分自固化, 从而克服了固化剂与树脂反应或共混带来的问题.
本研究在制备阳离子型丙烯酸羟基树脂的基础上, 通过硅氧烷的双键与丙烯酸树脂上双键反应, 将硅氧烷接枝到丙烯酸树脂上, 制备单组分自交联型丙烯酸阴极电泳涂料基料树脂, 在理论和应用上都具有重要意义.
1 实验部分
1.1 原料与试剂
甲基丙烯酸甲酯( MMA) 、偶氮二异丁腈( AIBN) 、乙二醇单丁醚, 均为化学纯; 丙烯酸丁酯( BA) 、过氧化苯甲酰( BPO) 、正丁醇、冰醋酸, 均为分析纯; 甲基丙烯酸异冰片酯( IBMA) 、甲基丙烯酸羟乙酯( HEMA) 、甲基丙烯酸N, N- 二甲基胺乙酯( DMAEMA) 、N- 羟甲基丙烯酰胺( NMA) 、有机硅氧烷单体( 1706) , 均为工业品.
1.2 改性丙烯酸树脂的合成
聚合反应在N2 气氛中进行, 单体总质量10 g, 引发剂质量占单体质量的3%, 溶剂3 g, 去离子水40 g.采用3 种聚合工艺:( 1) 一次性投料法.用溶剂将引发剂溶于单体中, 一定温度下反应5 h, 然后冷却至50 ℃加入与DMAEMA 等物质的量的醋酸中和, 加去离子水快速分散.( 2) 半连续滴加法.用溶剂将引发剂溶于单体中, 再将此混合液的1/3 转移到三颈瓶中, 余下的在2 h 内连续滴加到上述混合液中, 滴完保温3 h, 余下步骤同上.( 3) 连续滴加法.用溶剂将引发剂溶于单体中, 在3 h 内连续滴加到三颈瓶中, 滴完保温2 h, 余下步骤同上.
1.3 分析测试
采用德国布鲁克公司Tensor37 型红外光谱仪( FTIR) 进行红外光谱分析; 用PERKIN-ELMER 差示扫描量热仪( DSC) , N2 气氛, 将样品从室温快速加热到120℃, 再冷却至- 20 ℃, 然后以10 ℃/min 的速度升温至80 ℃进行Tg 分析; BROOKFIELD DV-Ⅱ+ 旋转粘度仪( 美国) 测分散液粘度; 日立H- 300 透射电镜观察粒子形态; 将分散液制成涂膜, 以四氢呋喃为溶剂, 用索氏提取器抽提24 h, 烘干, 根据公式: 交联度=( w2- w0) /( w1- w0) ×100% 计算交联度, 其中w0、w1 和w2 分别是滤纸的质量、抽提前样品和滤纸的质量、抽提后样品和滤纸的质量; 将分散液均匀涂布在洁净的聚四氟乙烯片上, 先在60 ℃左右真空干燥48 h, 待溶剂和水挥发完再于135 ℃左右干燥2 h, 烘干后将涂膜直接浸入蒸馏水中, 隔一段时间准确称量一次, 按公式计算吸水率: 吸水率=( wa- w) /w×100%, 其中wa、w分别表示吸水后与吸水前的涂膜质量.
2 结果与讨论
2.1 聚合工艺对分散液贮存稳定性的影响
分散液的贮存稳定性是影响水性树脂性能的重要因素.通常可用粘度的变化反映水分散液贮存稳定性的好坏.采用3 种工艺制得的分散液在室温下放置过程中外观和粘度的变化情况列于表1.由表1 可知, 一次性投料法所制备的树脂分散液较稳定, 放置3 个月后粘度未见变化.原因是本研究所制备的树脂开始是在油相中进行聚合, 聚合结束之后才分散到水相中, 不同于一般的乳液聚合.
2.2 聚合温度对分散液粒径及其分布的影响
分散液粒子尺寸对分散液粘度、成膜状况及涂膜性能都有较大的影响, 随着粒径的增大, 分散液的粘度及稳定性均降低[9]; 涂层的光泽、耐水性、硬度、分散液与颜料的结合力等也降低, 而涂层的干燥时间、气透性等则随着粒径的增大而延长或增大[10].实验发现, 聚合温度是影响分散液粒径及其分布的最大因素.图1为其他条件相同时, 不同温度下所制备的分散液粒径及其分布图.由图1 可知, 75 ℃所制备的分散液胶粒粒径分布在172~176 nm 范围内, 平均粒径为174.3 nm( 光散射仪自动显示的数据) , 85 ℃时制备的分散液胶粒粒径分布在20~25 nm 范围内, 平均粒径为23.2 nm, 95 ℃所制备的分散液胶粒粒径分布较宽, 大部分分布在80~150 nm 范围内, 平均粒径为105.4 nm.因此该体系的最佳聚合温度为85 ℃.原因是低温下丙烯酸酯类的均聚物较多; 高温下硅氧烷的水解趋势增大, 体系中存在2 种结构和极性差别较大的粒子, 导致粒径分布变宽.结合图2 分散液粒子的电镜图可以看出, 在3 种温度下所制备的微粒均呈不规则的形状, 粒径大小与激光散射仪测出的结果相符.
2.3 FTIR 分析
有机硅氧烷单体、不含硅聚合物、含硅聚合物红外光谱图如图3 所示.
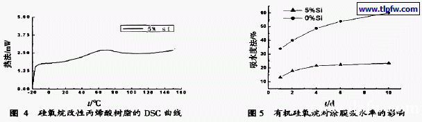
有机硅氧烷的特征强吸收带在1 100~1 000 cm-1 之间, 在1 000~667、1 650~1 580、3 100~3 000 cm-1 产生了C=C 键特征吸收带( 图4) .在图3( a) 、( b) 上均在1 734 cm-1 处出现丙烯酸酯类物质的C=O 伸缩振动峰, 1 170 cm-1 处出现丙烯酸酯类物质的C—O—C 伸缩振动峰, 2 960、2 876 cm-1 分别为甲基、亚甲基特征吸收峰, 说明丙烯酸酯类单体参与聚合反应生成丙烯酸酯类共聚物.在图3( b) 上没有硅氧烷单体C!C 双键的特征吸收峰, 在770 cm-1 处有一吸收峰( 对应于硅氧烷单体760 cm-1) , 纯丙聚合物在此处没有吸收, 此外在3 022~3 700 cm-1 处无吸收峰, 这可说明有机硅聚合物没有Si—OH 键, 即聚合物没有水解.
2.4 DSC 分析
在聚合反应中, 有机硅氧烷与丙烯酸酯类单体共聚还是自聚, 还可以用DSC 分析.如果是均聚物、共聚物共存的体系, 其DSC 图上会出现2 个以上的转变温度.从图4 可知, 在-20~150 ℃范围内, 曲线上只有一个玻璃化转变温度, 因此, 可以认为不存在相应的均聚物.结合FTIR 和DSC 分析结果可知, 有机硅氧烷与丙烯酸酯类单体发生的是共聚反应, 在反应过程中无丙烯酸酯均聚、有机硅单体自聚以及硅烷的水解、缩聚.
2.5 功能单体对涂膜交联度的影响
功能单体的引入能够有效地改善丙烯酸树脂的性能. 考察了3 种功能单体对涂膜交联度的影响( 表2) , 发现涂膜的交联度与3 种单体的质量分数均有关, 当HEMA 的质量分数一定时, 涂膜的交联度随着NMA 和1706 的量的增加而增大; 而当NMA 和1706 的质量分数一定时, 涂膜的交联度随着HEMA 的量的增加而增大, 原因是以上3 种单体均含有可交联基团.
2.6 涂膜吸水率
未改性和经有机硅氧烷改性的涂膜的吸水率- 时间曲线见图5.从图5 可知, 硅丙涂膜的吸水率较纯丙涂膜的吸水率大大降低, 且随着时间的延长这种差异越明显.说明将少量的有机硅氧烷引入到丙烯酸树脂中可以显著提高丙烯酸树脂涂料的耐水性.
2.7 涂膜的耐化学品性
硅氧烷改性前后样品的玻璃涂层在常见化学品中于室温下浸泡后的变化情况列于表3.从表3 可以看出, 丙烯酸树脂抗化学品能力较差, 在乙醇、5%H2SO4 中很快离层脱落, 在乙酸乙酯、汽油、5%NaOH 中也只能维持24 h.加入硅氧烷共聚后, 由于硅氧烷在玻璃表面形成化学键, 改善了丙烯酸树脂对玻璃的附着力,固化后有很好的耐化学品性.但含硅涂膜在碱中比在其他介质中容易受侵蚀, 可能是在碱性环境中Si—O键较易破坏所致.
3 结论
用简单的工艺和常用的化学品合成了阴极电泳涂料用丙烯酸基料树脂, 其分散液粒径大小为一般乳液范围, 具有较好的涂布性能和加热自固化性能, 由于有机硅氧烷与丙烯酸酯类单体发生了共聚反应明显地改善了涂膜的耐水和耐化学品性, 有望在电泳涂料中应用.